Product Summary
The MHL9838 is a RF line cellular band LDMOS amplifier. The MHL9838 is designed for ultra–linear amplifier applications in 50 ohm systems operating in the cellular frequency band. A silicon FET Class A design provides outstanding linearity and gain. In addition, the excellent group delay and phase linearity characteristics are ideal for the most demanding analog or digital modulation systems, such as TDMA and CDMA.
Parametrics
MHL9838 absolute maximum ratings: (1)DC Supply Voltage VDD: 30 Vdc; (2)RF Input Power Pin: +6 dBm; (3)Storage Temperature Range Tstg: –40 to +100 ℃; (4)Operating Case Temperature Range TC: –20 to +100 ℃.
Features
MHL9838 features: (1)Third Order Intercept: 50 dBm Typ; (2)Power Gain: 31 dB Typ (@ f = 880 MHz); (3)Excellent Phase Linearity and Group Delay Characteristics; (4)Ideal for Feedforward Base Station Applications; (5)For Use in TDMA and CDMA Multi–Carrier Applications.
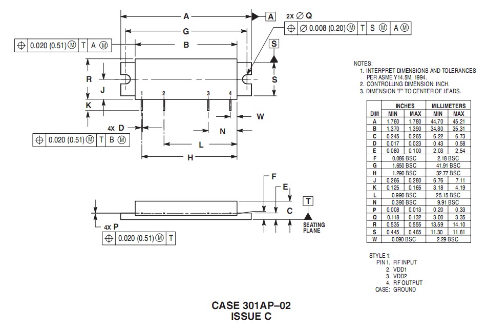
Diagrams

| Image | Part No | Mfg | Description | ![]() |
Pricing (USD) |
Quantity | ||||
|---|---|---|---|---|---|---|---|---|---|---|
![]() |
![]() MHL9838 |
![]() Other |
![]() |
![]() Data Sheet |
![]() Negotiable |
|
||||
![]() |
![]() MHL9838N |
![]() Other |
![]() |
![]() Data Sheet |
![]() Negotiable |
|
||||
(China (Mainland))









