Product Summary
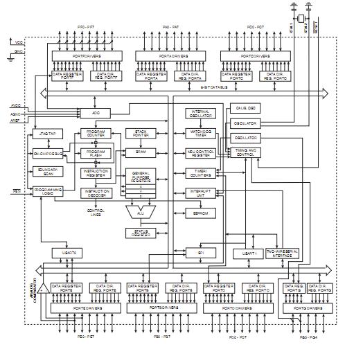
The ATMEGA128-16AU is a low-power CMOS 8-bit microcontroller based on the AVR enhanced RISC architecture. By executing powerful instructions in a single clock cycle, the ATMEGA128-16AU achieves throughputs approaching 1MIPS per MHz allowing the system designer to optimize power consumption versus processing speed.
Parametrics
ATMEGA128-16AU absolute maximum ratings: (1)Operating Temperature:-55℃ to +125℃; (2)Storage Temperature:-65℃ to +150℃; (3)Voltage on any Pin except RESET with respect to Ground:-0.5V to VCC+0.5V; (4)Voltage on RESET with respect to Ground:-0.5V to +13.0V; (5)Maximum Operating Voltage:6.0V; (6)DC Current per I/O Pin:40.0 mA; (7)DC Current VCC and GND Pins:200.0 to 400.0mA.
Features
ATMEGA128-16AU features: (1)133 Powerful Instructions – Most Single Clock Cycle Execution; (2)32 x 8 General Purpose Working Registers + Peripheral Control Registers; (3)Fully Static Operation; (4)Up to 16MIPS Throughput at 16MHz; (5)On-chip 2-cycle Multiplier; (6)128Kbytes of In-System Self-programmable Flash program memory; (7)4Kbytes EEPROM; (8)4Kbytes Internal SRAM; (9)Write/Erase cycles: 10,000 Flash/100,000 EEPROM; (10)Data retention: 20 years at 85℃/100 years at 25℃; (11)Up to 64Kbytes Optional External Memory Space; (12)Programming Lock for Software Security; (13)SPI Interface for In-System Programming; (14)Capacitive touch buttons, sliders and wheels; (15)QTouch and QMatrix acquisition; (16)Up to 64 sense channels; (17)Real Time Counter with Separate Oscillator; (18)Two 8-bit PWM Channels; (19)6 PWM Channels with Programmable Resolution from 2 to 16 Bits; (20)Output Compare Modulator; (21)8-channel, 10-bit ADC; (22)Byte-oriented Two-wire Serial Interface; (23)Dual Programmable Serial USARTs; (24)Master/Slave SPI Serial Interface; (25)Programmable Watchdog Timer with On-chip Oscillator; (26)On-chip Analog Comparator.
Diagrams

| Image | Part No | Mfg | Description | ![]() |
Pricing (USD) |
Quantity | ||||||||||||
|---|---|---|---|---|---|---|---|---|---|---|---|---|---|---|---|---|---|---|
![]() |
![]() ATmega128-16AU |
![]() Atmel |
![]() 8-bit Microcontrollers (MCU) 128kB Flash 4kB EEPROM 53 I/O Pins |
![]() Data Sheet |
![]()
|
|
||||||||||||
![]() |
![]() ATMEGA128-16AUR |
![]() Atmel |
![]() 8-bit Microcontrollers (MCU) AVR 128KB FLASH 4KB EE 4KB SRAM,5V |
![]() Data Sheet |
![]()
|
|
||||||||||||
(China (Mainland))










